MenuClosed
Quick navigation
7*24h Service hotline0571 86094553

Scan on the official WeChat platform

Q17x17x29 DC 3 Wire Square economy inductive proximity switch Return Data download
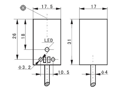
Product pictures Size chart
Characteristics Specifications
DiameterQ17*17*29
MountingShielded
Operating distance 2.0mm
Housing materialABS
Operating voltage10-40VDC
Ripple Voltage<10%
No-Load Current<10mA
Max.Load Current200mA
Leakge Current<0.01mA
Voltage Drop<2.5V
Switching Frequency500HZ
Response Time0.5ms/0.5ms
Switching Hysteresis<15% (Sr)
Repeat Accuracy<1.0 (Sr)
Protection CategoryIP67
Operating Temperature-25℃~70℃
Temperature Drift<10% (Sr)
Short-circuit ProtectionYES
Overload Current220mA
Output indicatorLED
OutputDC 3 Wire
Connection type2m PVC Cable
Material Active FacePOM

 

DC3 Wire 10-40V NPN/N.O.HS-Q17-N01
DC3 Wire 10-40V NPN/N.C.HS-Q17-N02
DC3 Wire 10-40V PNP/N.O.HS-Q17-P01
DC3 Wire 10-40V PNP/N.C.HS-Q17-P02

Scan on the public

X

Download

After approval, we will contact you within 24 hours

Name *
Tel*
Email
Message
X

Sample

After approval, we will contact you within 24 hours

Name *
Tel *
Email
Message
X
Member login
Forgot password There is no account?Register
X
Registered members
X
Forgot password