MenuClosed
Quick navigation
7*24h Service hotline0571 86094553

Scan on the official WeChat platform

M12 DC 3 Wire High pressure resistant inductive proximity switch E4 Return Data download
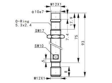
Product pictures Size chart
Characteristics Specifications
DiameterP12*93
MountingShielded
Operating distance 1.5mm
Housing materialstainless steel
Operating voltage10-30VDC
Ripple Voltage<10%
No-Load Current<10mA
Max.Load Current200mA
Leakge Current<0.01mA
Voltage Drop<1.5V
Switching Frequency600HZ
Max.Pressure500bar
Switching Hysteresis<15% (Sr)
Repeat Accuracy<1.0 (Sr)
Protection CategoryIP68
Operating Temperature-25℃~80℃
Temperature Drift<10% (Sr)
Short-circuit ProtectionYES
Overload Current220mA
Output indicatorNO
OutputDC 3 Wire
Connection typeM12 Connector
Material Active FaceZrO2

 

DC3 Wire 10-30V NPN/N.O.HSP-C1209-N01-E4


DC3 Wire 10-30V PNP/N.O.HSP-C1209-P01-E4


 

Scan on the public

X

Download

After approval, we will contact you within 24 hours

Name *
Tel*
Email
Message
X

Sample

After approval, we will contact you within 24 hours

Name *
Tel *
Email
Message
X
Member login
Forgot password There is no account?Register
X
Registered members
X
Forgot password