MenuClosed
Quick navigation
7*24h Service hotline0571 86094553

Scan on the official WeChat platform

P5050 AC/DC 5 Wire Through beam photoelectric sensors Return Data download
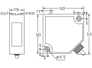
Product pictures Size chart
Characteristics Specifications
DiameterP50*50*18
MountingThrough-beam
Operating distance 10m
Housing materialPBT
Operating voltage24-240VAC/VDC
Mains Frequency50/60Hz
Tolerance±10%Sn
Hysteresis10%
Emitting elementInfrared LED(880nm)
Max.Output Current3A/30VAC,1A/220VAC
Output Relay
Yellow LEDoutput indicator
Green LEDpower and status indicator
Power Dissipation<2.5VA
Sensitivity AdjustmentRotate 1 turn trimmer potentiometer
Switching Frequency10Hz
Response Time20ms
On-delay operation≤300ms
Operating Temperature-10℃~60℃
Backlight luminance>10.000Lux
Protection CategoryIP65
Output voltageEmitter:AC/DC 2 Wire;Receiver:AC/DC 5 Wire
Connection type2m PVC Cable
Material Active FacePC
Standard test object-

AC/DC 2 Wire 24-240V EmitterEMT-P5050-UE
AC/DC 5 Wire 24-240V ReceiverEMT-P5050-US

Scan on the public

X

Download

After approval, we will contact you within 24 hours

Name *
Tel*
Email
Message
X

Sample

After approval, we will contact you within 24 hours

Name *
Tel *
Email
Message
X
Member login
Forgot password There is no account?Register
X
Registered members
X
Forgot password