MenuClosed
Quick navigation
7*24h Service hotline0571 86094553

Scan on the official WeChat platform

PF30 DC 4 Wire Retro-reflective photoelectric sensors P4 Return Data download
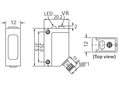
Product pictures Size chart
Characteristics Specifications
DiameterP20.2*31.5*12
MountingRetro-reflective(For transparent)
Operating distance 0.1~0.7m
Housing materialABS
Operating voltage10-30VDC
Residual Ripple≤10%
Tolerance±10%Sn
Hysteresis15%
Emitting elementInfrared LED(880nm)
Max.Output Current100mA
No-Load Current<35mA
Voltage Drop≤2.0V(I=100mA)
Red LEDoutput indicator
Green LEDpower and status indicator
Sensitivity AdjustmentRotate 1 turn trimmer potentiometer
Switching Frequency500Hz
Response Time1.0ms
On-delay operation<300ms
Short-circuit ProtectionYES
Reverse Polarity  ProtectionYES
Operating Temperature-25℃~55℃
Backlight luminance>5.000Lux
Protection CategoryIP67
OutputDC 4 Wire
Connection typeM8 Connector
Material Active FacePC
Standard test objectReflectors D51

 

DC4Wire 10-30V NPN Light/Dark N.O.HLR-PF30-NS-P4
DC4Wire 10-30V PNP Light/Dark N.O.HLR-PF30-PS-P4

 

Scan on the public

X

Download

After approval, we will contact you within 24 hours

Name *
Tel*
Email
Message
X

Sample

After approval, we will contact you within 24 hours

Name *
Tel *
Email
Message
X
Member login
Forgot password There is no account?Register
X
Registered members
X
Forgot password